430685
新芝的高低温控温系统质量可靠,性能优越,具备高精度智能温度控制,温度控制范围从-120℃至350℃应有尽有,能够满足绝大部分企业的恒温控制需求。本设备控温精度高达±0.1℃,制冷功率0.25kW到95kW、加热功率2.5kW~95kW均有对应型号产品供应。

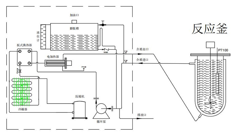
高低温控温装置由循环泵、加热管、压缩机、冷凝器、风机、干燥过滤器、膨胀阀、蒸发器、气液分离器、传感器、介质压力表、回热器、膨胀容器、控制器等部件构成。集成了多项先进技术,以确保在广泛的温度范围内实现卓越的温度控制性能。系统运作基于一个精细协调的制冷与加热循环,核心部件协同工作,确保温度精准调节。
· 控制系统:PID模糊控制
· 导热介质温控精准度:±0.5℃
· 反应物料温控精准度:±1℃
· 外壳材质:冷轧钣喷塑
· 通信协议:MODBUS RTU 协议 RS 485接口
· 外壳材质:冷轧钣喷塑
· 介质温度范围:-25℃~200℃(高温可扩展至250℃)
· 操作面板:7英寸彩色触摸屏,温度曲线显示、记录
· 控温对象:物料温度控制与导热介质出口温度控制可自由选择
· 温差控制:反应釜夹套温度与物料温度的温差可控制、可设定
· 程序编辑:可编制5条程序,每条程序可编制30段步骤
· 温度反馈:设备导热介质 本机温度、出口温度、反应器物料温度(外接温度传感器)三点温度PT100
· 安全保护:具有自我诊断功能;冷冻机过载保护、高压压力开关、过载继电器、热保护装置、低液位保护、高温保护 传感器故障保护等多种安全保障功能
· 密闭循环系统:整个系统为全密闭系统,高温时不会有油雾、低温不吸收空气中水份,系统在运行中不会因为高温使压力上升,低温自动补充导热介质

高低温控温设备被广泛应用于多种反应装置中,如反应釜、反应器(如微通道反应器、玻璃反应器和夹套反应器)、蒸馏系统、萃取系统等,以实现精确的制冷与加热控制。这种设备在高等院校、科研实验室、汽车制造、制药工业、石油化工、半导体及电子产品测试、生物化学以及航空航天等多个行业领域内发挥着重要的作用。
关于正压防爆
本产品中的⽔冷型型号均可定 EXPXdmbIBT4,EXPXdmbiCt4
它是根据国家标准GB3836.5-2004(爆炸性⽓体环境⽤电⽓设备正压型“ p”)设计制造、检验。可⼴泛⽤于⽯油、化⼯医药等具有爆炸性⽓体、 粉尘的危险场所。防爆标志为Expxdmb lCT4。防爆合格证号:GYB091118。
正压柜通过防爆控制箱内的智能控制系统与压⼒控制系统匹配将洁净安全的压缩空⽓引⼊正压腔,使正压腔内形成微正压,阻⽌外界危险⽓体、粉尘的进⼊,达到防爆的⽬的。该产品具有智能集中控制、液晶⽂字显⽰、⾃动换⽓、延时⾃动供电、失压补⽓、故障报警及危险时⾃动切断电源等功能。
结构概述
正压柜由正压腔和控制腔两部分组成,正压腔⽤于安装各种⾮防爆的仪表或电器,控制腔由防爆控制箱及压⼒控制系统组成。正压柜外壳采⽤ 2~3mm的冷轧钢板焊接⽽成,通⽓管道采⽤镀锌钢管,进出电缆采⽤穿板管接头和电缆引⼊压紧装置。前⻔设置玻璃显⽰窗,显⽰仪表及指⽰灯等内容。
安全指标
a.柜内内正压值⼤于280Pa⾃动排⽓ b.柜内正压值⼩于80Pa⼤于50Pa时,⾃动报警 c.柜内正压值⼩于50Pa,⾃动切断电源。
工作原理
压柜⼯作原理,外界220伏流引⼊防爆控制箱后,按下“起动钮”,电磁闻4励磁将进⽓管道开通,压缩空⽓经过滤减压后进⼊正压腔,正压腔内的危险⽓体通过排⽓排出正压腔,待正压腔内危险⽓体换⾄安全值时,换⽓结束,联锁触点⾃动闭合,此时正压腔内的电器、仪表⽅可⼯作。
正压值的调整
调整单向节流下端正压值调节⼿柄,顺时针转动正压值升⾼,反之正压值降低,正压值调⾄250Pa为宜,如果压⼒偏低⽆法调⾄此压⼒时,应查进⽓是否全开,正压室与外界是否密封。
联锁功能选择
正压柜在1区危险场所便⽤时,如果正压值⼩于50Pa,联锁触占须断开,如果在2区危险场所使⽤时,如果正压值⼩于50Pa,联锁触点可以不断开,但要及时处理确保压⼒⼤于50Pa,此功能有拨位开关t2第3位来调整第三位在⼟联锁触点断开在下联锁触点不断开拨位时需在断开状态下进⾏。
正压防爆柜恒温冷却系统
采⽤⽔冷⽅式,⾃动控制冷却⽔进⼊到系统内部空调换热器,将正压柜内部热量带⾛,确保正压系统内部处于恒温状态,保证内部元件安全。
关于隔离防爆
电气柜(采用隔爆型)
A 有单独的接线腔体
B 加热功率大于7.5kW, 有独立散热铝翅片防爆柜
C 电气柜采用全铝件模具
D 配备防爆鼠标,用于操作7寸及以上显示屏
压缩机
A 采用防爆型或防爆硅胶密封防爆处理
B 采用接线端子封装工艺(本安)。
循环风机
A 采用防爆型
B 叶片采用铝叶片
循环泵采用隔爆型电机
调整单向节流下端正压值调节⼿柄,顺时针转动正压值升⾼,反之正压值降低,正压值调⾄250Pa为宜,如果压⼒偏低⽆法调⾄此压⼒时,应查进⽓是否全开,正压室与外界是否密封。
A 加热器采用隔爆型
B 温度传感器采用隔爆型
C 压力传感器采用隔爆型
D 各种保护区安装在隔爆盒中
| 型号 | HL25-220 | HL35-220 | HL55-220 | HL75-220 | HL100-220 | HL150-220 | HL250W-220 | HL380W-220 | HL600W-220 | HL950W-220 | |
| 加热功率 | 2.5kW | 3.5kW | 5.5kW | 7.5kW | 10kW | 15kW | 25kW | 38kW | 60kW | 95kW | |
| 制冷能力 | 200℃ | 2.5kW | 3.5kW | 5.5kW | 7.5kW | 10kW | 15kW | 25kW | 38kW | 60kW | 95kW |
| 100℃ | 2.5kW | 3.5kW | 5.5kW | 7.5kW | 10kW | 15kW | 25kW | 38kW | 60kW | 95kW | |
| 20℃ | 2.5kW | 3.5kW | 5.5kW | 7.5kW | 10kW | 15kW | 25kW | 38kW | 60kW | 95kW | |
| -5℃ | 2kW | 3kW | 4.5kW | 6.6kW | 8kW | 12kW | 19kW | 30kW | 46kW | 70kW | |
| -20℃ | 1.0kW | 1.8kW | 2.8kW | 3.8kW | 4.6kW | 7kW | 12kW | 16kW | 22kW | 32kW | |
| 循环泵 | 流量 | Max30L/min | Max30L/min | Max42L/min | Max56L/min | Max56L/min | Max110L/min | Max120L/min | Max150L/min | Max300L/min | Max400L/min |
| 压力 | 1.5bar | 1.5bar | 2.0bar | 2.0bar | 2.0bar | 2.5bar | 2.5bar | 2.5bar | 2.5bar | 2.5bar | |
| 压缩机 | 思科普 | 艾默生谷轮 | 意大利都凌/比泽尔/富士豪 | ||||||||
| 膨胀阀 | 丹佛斯 | 艾默生/丹佛斯 | |||||||||
| 导热介质接口尺寸 | DN15 | DN20 | DN20 | DN20 | DN25 | DN32 | DN32 | DN40 | DN40 | DN50 | |
| 20度冷却水需求 | 0.6m³/h | 0.8m³/h | 1m³/h | 1.2m³/h | 1.6m³/h | 2m³/h | 6m³/h | 10m³/h | 14m³/h | 20m³/h | |
| 1.5bar~4bar | 1.5bar~4bar | 1.5bar~4bar | 1.5bar~4bar | 1.5bar~4bar | 1.5bar~4bar | 1.5bar~4bar | 1.5bar~4bar | 1.5bar~4bar | 1.5bar~4bar | ||
| 冷却水接口尺寸 | G1/2 | G1/2 | G3/4 | G3/4 | G3/4 | G1 | DN32 | DN40 | DN50 | DN65 | |
| 外形尺寸mm | 水冷 | 400*600*1150 | 400*600*1150 | 500*680*1250 | 550*700*1600 | 500*680*1250 | 700*800*1650 | 1000*950*1650 | 1000*950*1750 | 2000*1250*1750 | 2000*1250*1750 |
| 风冷 | 400*600*1250 | 450*650*1300 | 550*750*1400 | 570*750*1500 | 650*700*1650 | 750*750*1800 | / | / | / | / | |
| 重量 | 水冷 | 100kg | 135kg | 160kg | 205kg | 250kg | 280kg | 480kg | 750kg | 1000kg | 1250kg |
| 风冷 | 115kg | 165kg | 285kg | 230kg | 280kg | 300kg | / | / | / | / | |
| 电源 | AC 220V 50HZ | AC 380V 50HZ | AC 380V 50HZ | AC 380V 50HZ | AC 380V 50HZ | AC 380V 50HZ | AC 380V 50HZ | AC 380V 50HZ | AC 380V 50HZ | AC 380V 50HZ | |
| 总功率 | 4kW(max) | 6kW(max) | 8kW(max) | 11kW(max) | 14kW(max) | 21kW(max) | 34kW(max) | 51 kW(max) | 78kW(max) | 120kW(max) | |
· 选配:SUS 304机箱、ExdIIBT4防爆、ExdllCT4防爆、正压防爆(正压防爆只能采用水冷方式)
24小时服务热线 18106650612